Hydraulic Institute Hydraulic Institute Data Tool Publications Training Certification Contact Us About Us
Unit Conversions Kinematic & Dynamic Viscosity Conversion Pipe Friction Loss Calculator Line Shaft Bearing Loss Calculator Horizontal Tank Volume Calculator Vertical Tank Volume Calculator Spherical Tank Volume Calculator Atmospheric Pressure Calculator
×

${mark_index+1} of ${marks.length} matches in current topic

Navigate current topics
  • No matches found
  • ${search_results.length} topic matches
  • ${res.section}
    ${res.title}
  • Definitions & Resources
    • A) Welcome & Introduction
    • B) Acronyms & Definitions
    • C) Pump Types
    • D) References
    • E) Additional Resources
  • Pump Fundamentals
    • A) System Curves
    • B) Pump Curves
    • C) Combined Pump & System Curves
    • D) Pump Principles
    • E) Submergence
  • Fluid Properties
    • A) Water
    • B) Solids and Slurries
    • C) Viscosity
    • D) Other Fluids
  • Fluid Flow
    • A) Pipe Frictional Losses
    • B) Losses in Valves, Fittings, and Bends
    • C) Losses With Other Fluids
    • D) Losses in Nozzles
    • E) Losses With Paper Stock
  • Pipe, Flange & Motor dimensions
    • A) Steel Pipe
    • B) Stainless Steel Pipe
    • C) Ductile Iron Pipe
    • D) Non-Ferrous Pipe and Tube
    • E) Plastic PVC Pipe
    • F) Flange Dimensions
    • G) Motor Dimensions
  • Calculators
    • A) Unit Conversions
    • B) Kinematic & Dynamic Viscosity Conversion
    • C) Pipe Friction Loss Calculator
    • D) Line Shaft Bearing Loss Calculator
    • E) Horizontal Tank Volume Calculator
    • F) Vertical Tank Volume Calculator
    • G) Spherical Tank Volume Calculator
    • H) Atmospheric Pressure Calculator
  • About the HI DATA TOOL
    • Releases
    • Members and Contributors
×

${mark_index+1} of ${marks.length} matches in current topic

Navigate current topics
  • No matches found
  • ${search_results.length} topic matches
  • ${res.section}
    ${res.title}

  • A) Welcome & Introduction
  • B) Acronyms & Definitions
  • C) Pump Types
  • D) References
  • E) Additional Resources
  • A) System Curves
  • B) Pump Curves
  • C) Combined Pump & System Curves
  • D) Pump Principles
  • E) Submergence
  • A) Water
  • B) Solids and Slurries
  • C) Viscosity
  • D) Other Fluids
  • A) Pipe Frictional Losses
  • B) Losses in Valves, Fittings, and Bends
  • C) Losses With Other Fluids
  • D) Losses in Nozzles
  • E) Losses With Paper Stock
  • A) Steel Pipe
  • B) Stainless Steel Pipe
  • C) Ductile Iron Pipe
  • D) Non-Ferrous Pipe and Tube
  • E) Plastic PVC Pipe
  • F) Flange Dimensions
  • G) Motor Dimensions
  • A) Unit Conversions
  • B) Kinematic & Dynamic Viscosity Conversion
  • C) Pipe Friction Loss Calculator
  • D) Line Shaft Bearing Loss Calculator
  • E) Horizontal Tank Volume Calculator
  • F) Vertical Tank Volume Calculator
  • G) Spherical Tank Volume Calculator
  • H) Atmospheric Pressure Calculator
  • Releases
  • Members and Contributors

Live – Motor & VFD Principles Course

Learn the general function of motors and VFDs, application considerations, and factors to consider in their installation, operation and maintenance.  

Learn more

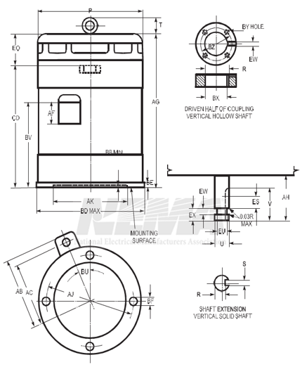
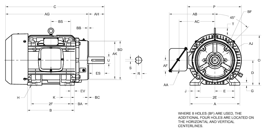
Motor Frame Size and Dimension Reference Tool

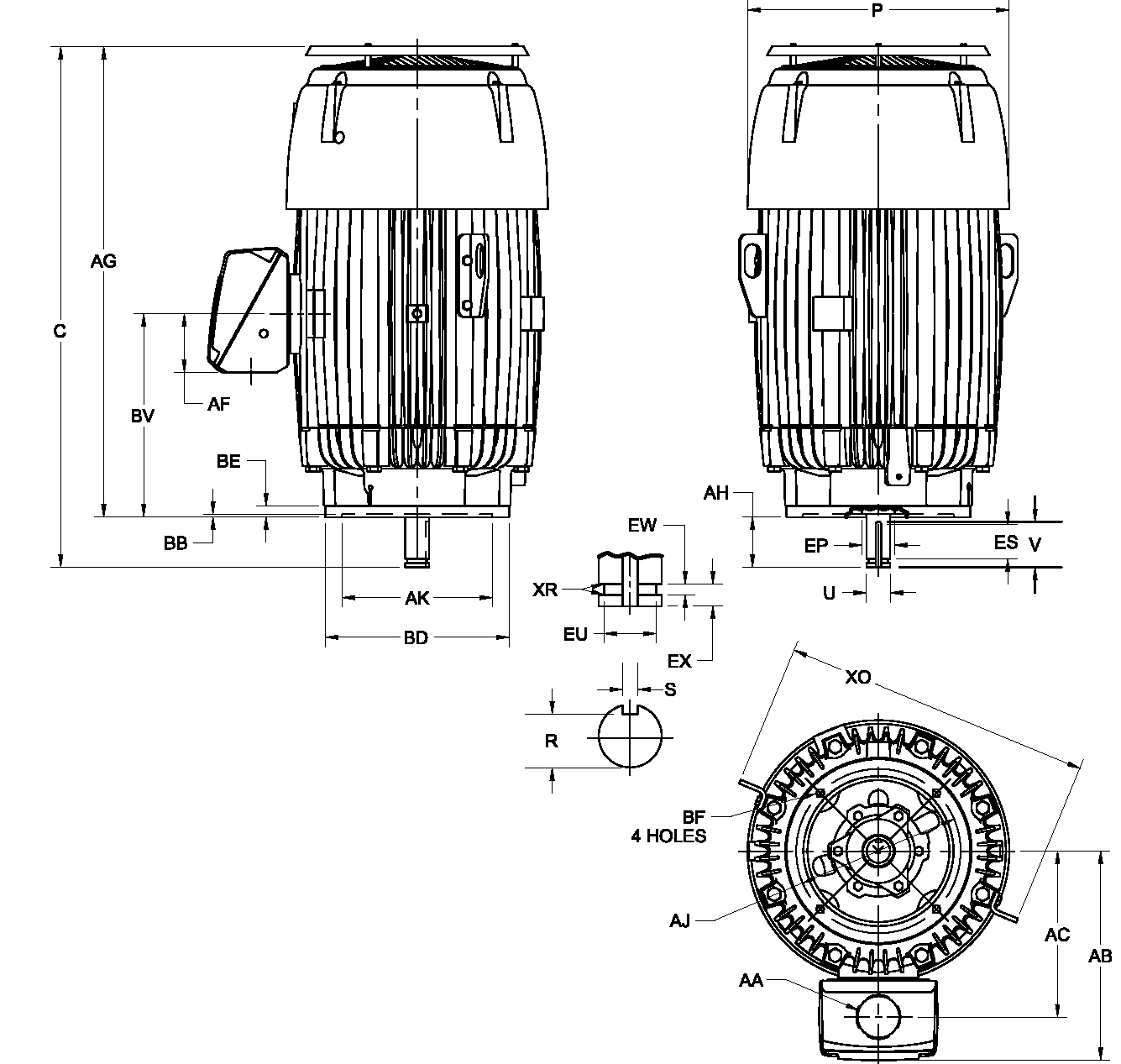
Horizontal Electric Motor
Vertical Electric Motor

Drawings represent standard TEFC general purpose motors and are for example or reference only
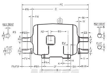
Frame Designation A Max D* E† 2F† BA*** H† U N-W V Min R ES Min S AA Min††
42 — 2.62 1.75 1.69 2.06 0.28 slot 0.375 1.12 — 0.328 — flat —
48 — 3 2.12 2.75 2.5 0.34 slot 0.5 1.5 — 0.453 — flat —
48H — 3 2.12 4.75 2.5 0.34 slot 0.5 1.5 — 0.453 — flat —
56 — 3.5 2.44 3 2.75 0.34 slot 0.625 1.88 — 0.517 1.41 0.188 —
56H — 3.5 2.44 5 2.75 0.34 slot 0.625 1.88 — 0.517 1.41 0.188 —
143T 7 3.5 2.75 4 2.25 0.34 hole 0.875 2.25 2 0.771 1.41 0.188 3/4
145T 7 3.5 2.75 5 2.25 0.34 hole 0.875 2.25 2 0.771 1.41 0.188 3/4
182T 9 4.5 3.75 4.5 2.75 0.41 hole 1.125 2.75 2.5 0.986 1.78 0.25 3/4
184T 9 4.5 3.75 5.5 2.75 0.41 hole 1.125 2.75 2.5 0.986 1.78 0.25 3/4
213T 10.5 5.25 4.25 5.5 3.5 0.41 hole 1.375 3.38 3.12 1.201 2.41 0.312 1
215T 10.5 5.25 4.25 7 3.5 0.41 hole 1.375 3.38 3.12 1.201 2.41 0.312 1
254T 12.5 6.25 5 8.25 4.25 0.53 hole 1.625 4 3.75 1.416 2.91 0.375 1-1/4
256T 12.5 6.25 5 10 4.25 0.53 hole 1.625 4 3.75 1.416 2.91 0.375 1-1/4
284T 14 7 5.5 9.5 4.75 0.53 hole 1.875 4.62 4.38 1.591 3.28 0.5 1-1/2
284TS 14 7 5.5 9.5 4.75 0.53 hole 1.625 3.25 3 1.416 1.91 0.375 1-1/2
286T 14 7 5.5 11 4.75 0.53 hole 1.875 4.62 4.38 1.591 3.28 0.5 1-1/2
286TS 14 7 5.5 11 4.75 0.53 hole 1.625 3.25 3 1.416 1.91 0.375 1-1/2
324T 16 8 6.25 10.5 5.25 0.66 hole 2.125 5.25 5 1.845 3.91 0.5 2
324TS 16 8 6.25 10.5 5.25 0.66 hole 1.875 3.75 3.5 1.591 2.03 0.5 2
326T 16 8 6.25 12 5.25 0.66 hole 2.125 5.25 5 1.845 3.91 0.5 2
326TS 16 8 6.25 12 5.25 0.66 hole 1.875 3.75 3.5 1.591 2.03 0.5 2
364T 18 9 7 11.25 5.88 0.66 hole 2.375 5.88 5.62 2.021 4.28 0.625 3
364TS 18 9 7 11.25 5.88 0.66 hole 1.875 3.75 3.5 1.591 2.03 0.5 3
365T 18 9 7 12.25 5.88 0.66 hole 2.375 5.88 5.62 2.021 4.28 0.625 3
365TS 18 9 7 12.25 5.88 0.66 hole 1.875 3.75 3.5 1.591 2.03 0.5 3
404T 20 10 8 12.25 6.62 0.81 hole 2.875 7.25 7 2.45 5.65 0.75 3
404TS 20 10 8 12.25 6.62 0.81 hole 2.125 4.25 4 1.845 2.78 0.5 3
405T 20 10 8 13.75 6.62 0.81 hole 2.875 7.25 7 2.45 5.65 0.75 3
405TS 20 10 8 13.75 6.62 0.81 hole 2.125 4.25 4 1.845 2.78 0.5 3
444T 22 11 9 14.5 7.5 0.81 hole 3.375 8.5 8.25 2.88 6.91 0.875 3
444TS 22 11 9 14.5 7.5 0.81 hole 2.375 4.75 4.5 2.021 3.03 0.625 3
445T 22 11 9 16.5 7.5 0.81 hole 3.375 8.5 8.25 2.88 6.91 0.875 3
445TS 22 11 9 16.5 7.5 0.81 hole 2.375 4.75 4.5 2.021 3.03 0.625 3
447T 22 11 9 20 7.5 0.81 hole 3.375 8.5 8.25 2.88 6.91 0.875 3
447TS 22 11 9 20 7.5 0.81 hole 2.375 4.75 4.5 2.021 3.03 0.625 3
449T 22 11 9 25 7.5 0.81 hole 3.375 8.5 8.25 2.88 6.91 0.875 3
449TS 22 11 9 25 7.5 0.81 hole 2.375 4.75 4.5 2.021 3.03 0.625 3
440 — 11 9 ** 7.5 — — — — — — — —
500 — 12.5 10 ** 8.5 — — — — — — — —
Frame Designation A Max D* E† 2F† BA*** H† U N-W V Min R ES Min S AA Min††
42 — 2.62 1.75 1.69 2.06 0.28 slot 0.375 1.12 — 0.328 — flat —
48 — 3 2.12 2.75 2.5 0.34 slot 0.5 1.5 — 0.453 — flat —
48H — 3 2.12 4.75 2.5 0.34 slot 0.5 1.5 — 0.453 — flat —
56 — 3.5 2.44 3 2.75 0.34 slot 0.625 1.88 — 0.517 1.41 0.188 —
56H — 3.5 2.44 5 2.75 0.34 slot 0.625 1.88 — 0.517 1.41 0.188 —
143T 7 3.5 2.75 4 2.25 0.34 hole 0.875 2.25 2 0.771 1.41 0.188 3/4
145T 7 3.5 2.75 5 2.25 0.34 hole 0.875 2.25 2 0.771 1.41 0.188 3/4
182T 9 4.5 3.75 4.5 2.75 0.41 hole 1.125 2.75 2.5 0.986 1.78 0.25 3/4
184T 9 4.5 3.75 5.5 2.75 0.41 hole 1.125 2.75 2.5 0.986 1.78 0.25 3/4
213T 10.5 5.25 4.25 5.5 3.5 0.41 hole 1.375 3.38 3.12 1.201 2.41 0.312 1
215T 10.5 5.25 4.25 7 3.5 0.41 hole 1.375 3.38 3.12 1.201 2.41 0.312 1
254T 12.5 6.25 5 8.25 4.25 0.53 hole 1.625 4 3.75 1.416 2.91 0.375 1-1/4
256T 12.5 6.25 5 10 4.25 0.53 hole 1.625 4 3.75 1.416 2.91 0.375 1-1/4
284T 14 7 5.5 9.5 4.75 0.53 hole 1.875 4.62 4.38 1.591 3.28 0.5 1-1/2
284TS 14 7 5.5 9.5 4.75 0.53 hole 1.625 3.25 3 1.416 1.91 0.375 1-1/2
286T 14 7 5.5 11 4.75 0.53 hole 1.875 4.62 4.38 1.591 3.28 0.5 1-1/2
286TS 14 7 5.5 11 4.75 0.53 hole 1.625 3.25 3 1.416 1.91 0.375 1-1/2
324T 16 8 6.25 10.5 5.25 0.66 hole 2.125 5.25 5 1.845 3.91 0.5 2
324TS 16 8 6.25 10.5 5.25 0.66 hole 1.875 3.75 3.5 1.591 2.03 0.5 2
326T 16 8 6.25 12 5.25 0.66 hole 2.125 5.25 5 1.845 3.91 0.5 2
326TS 16 8 6.25 12 5.25 0.66 hole 1.875 3.75 3.5 1.591 2.03 0.5 2
364T 18 9 7 11.25 5.88 0.66 hole 2.375 5.88 5.62 2.021 4.28 0.625 3
364TS 18 9 7 11.25 5.88 0.66 hole 1.875 3.75 3.5 1.591 2.03 0.5 3
365T 18 9 7 12.25 5.88 0.66 hole 2.375 5.88 5.62 2.021 4.28 0.625 3
365TS 18 9 7 12.25 5.88 0.66 hole 1.875 3.75 3.5 1.591 2.03 0.5 3
404T 20 10 8 12.25 6.62 0.81 hole 2.875 7.25 7 2.45 5.65 0.75 3
404TS 20 10 8 12.25 6.62 0.81 hole 2.125 4.25 4 1.845 2.78 0.5 3
405T 20 10 8 13.75 6.62 0.81 hole 2.875 7.25 7 2.45 5.65 0.75 3
405TS 20 10 8 13.75 6.62 0.81 hole 2.125 4.25 4 1.845 2.78 0.5 3
444T 22 11 9 14.5 7.5 0.81 hole 3.375 8.5 8.25 2.88 6.91 0.875 3
444TS 22 11 9 14.5 7.5 0.81 hole 2.375 4.75 4.5 2.021 3.03 0.625 3
445T 22 11 9 16.5 7.5 0.81 hole 3.375 8.5 8.25 2.88 6.91 0.875 3
445TS 22 11 9 16.5 7.5 0.81 hole 2.375 4.75 4.5 2.021 3.03 0.625 3
447T 22 11 9 20 7.5 0.81 hole 3.375 8.5 8.25 2.88 6.91 0.875 3
447TS 22 11 9 20 7.5 0.81 hole 2.375 4.75 4.5 2.021 3.03 0.625 3
449T 22 11 9 25 7.5 0.81 hole 3.375 8.5 8.25 2.88 6.91 0.875 3
449TS 22 11 9 25 7.5 0.81 hole 2.375 4.75 4.5 2.021 3.03 0.625 3
440 — 11 9 ** 7.5 — — — — — — — —
500 — 12.5 10 ** 8.5 — — — — — — — —
Tbl. 5.I.1
*The tolerances on the D dimension for rigid base motors shall be +0.00 inch, −0.06 inch. No tolerance has been established for the D dimension of resilient mounted motors.

†Frames 42 to 56H, inclusive—The tolerance for the 2F dimension shall be ±0.03 inch and for the H dimension (width of slot) shall be +0.02 inch, −0.00 inch.

Frames 143T to 500, inclusive—The tolerance for the 2E and 2F dimensions shall be ±0.03 inch and for the H dimension shall be +0.05 inch, −0.00 inch.

The values of the H dimension represent standard bolt sizes plus dimensional clearances.

H dimension:
Frames 143T to 365T, inclusive—The clearance of the std. bolt to hole size is 0.03 inch. The tolerance is +0.05, −0.00 inch.
Frames 404T to 449T, inclusive—The clearance of the std. bolt to hole size is 0.06 inch. The tolerance is +0.020 inch, −0.00 inch.

††For dimensions of clearance holes, see 4.8.

**For the 2F dimension and corresponding third (and when required, the fourth) digit in the frame series, see 4.2.1 and Table 4-2.

***BA tolerance: ±0.09 inch.

Notes:

  1. For the meaning of the letter dimensions, see 4.1 and Figures 4-1 and 4-2.
  2. For tolerances on shaft extension diameters and keyseats, see 4.9.
  3. Frames 42 to 56H, inclusive—if the shaft extension length of the motor is not suitable for the application, it is recommended that deviations from this length be in 0.25 inch increments.
  4. For cast-iron products, bottom of feet coplanar: 0.015 inch.
  5. For cast-iron products, foot top parallel to foot bottom: 1.5 degree.
  6. For cast-iron products, shaft parallel to foot plan: 0.015 inch.

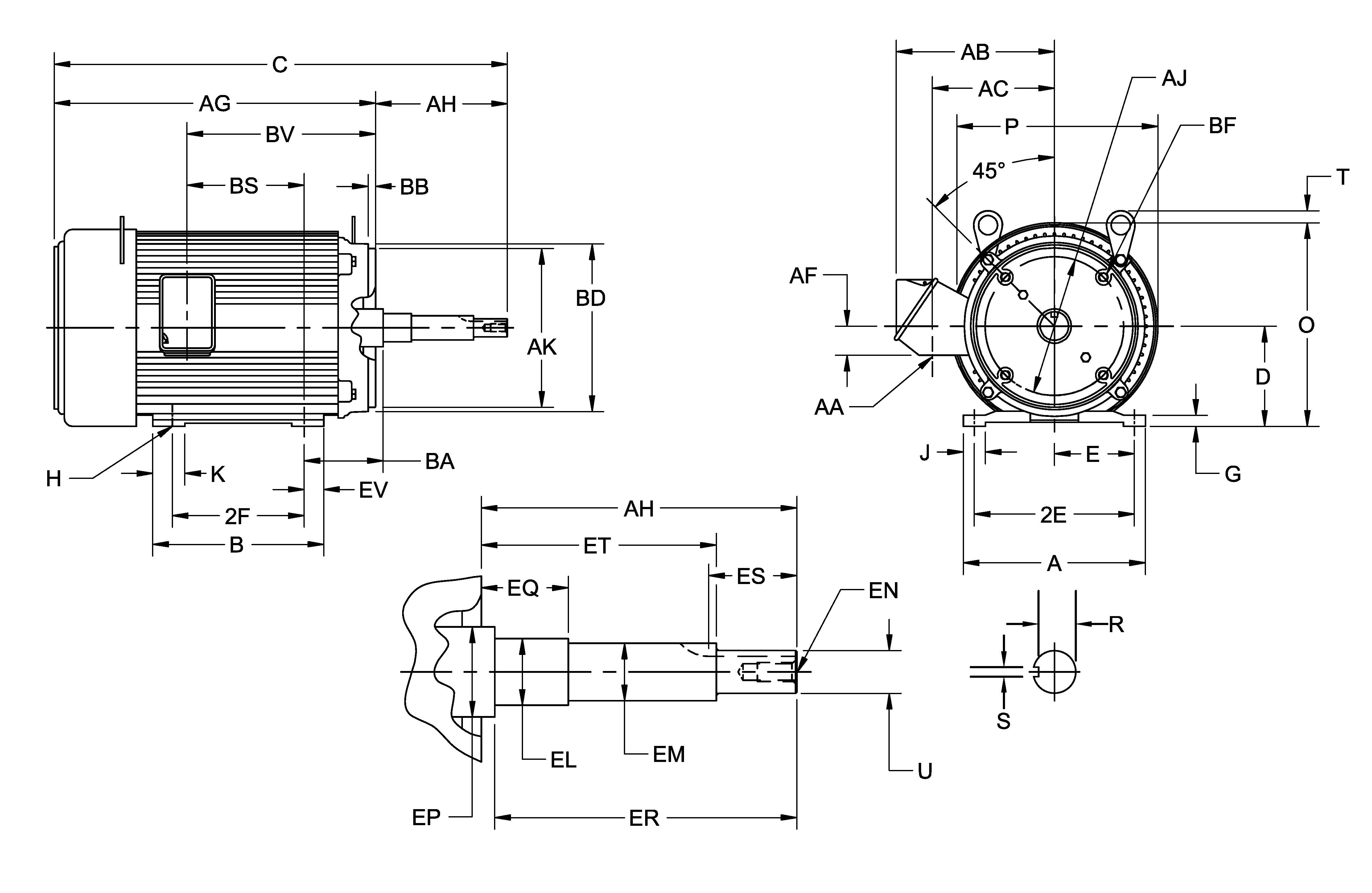
Drawings represent standard TEFC general purpose motors and are for example or reference only
Frame Designation* AJ** AK BA BB Min BC BD Max BF Hole Number BF Hole Tap Size BF Hole Bolt Penetration Allowance U AH Keyseat - R Keyseat - ES Min Keyseat - S AA Min†††
42C 3.75 3 2.062 0.16† -0.19 5.00†† 4 1/4-20 — 0.375 1.312 0.328 — Flat —
48C 3.75 3 2.5 0.16† -0.19 5.625 4 1/4-20 — 0.5 1.69 0.453 — flat —
56C 5.875 4.5 2.75 0.16† -0.19 6.50†† 4 3/8-16 — 0.625 2.06 0.517 1.41 0.188 —
143TC and 145TC 5.875 4.5 2.75 0.16† 0.12 6.50†† 4 3/8-16 0.56 0.875 2.12 0.771 1.41 0.188 3/4
182TC and 184TC 7.25 8.5 3.5 0.25 0.12 9 4 1/2-13 0.75 1.125 2.62 0.986 1.78 0.25 3/4
182TCH and 184TCH 5.875 4.5 3.5 0.16† 0.12 6.50†† 4 3/8-16 0.56 1.125 2.62 0.986 1.78 0.25 3/4
213TC and 215TC 7.25 8.5 4.25 0.25 0.25 9 4 1/2-13 0.75 1.375 3.12 1.201 2.41 0.312 1
254TC and 256TC 7.25 8.5 4.75 0.25 0.25 10 4 1/2-13 0.75 1.625 3.75 1.416 2.91 0.375 1-1/4
284TC and 286TC 9 10.5 4.75 0.25 0.25 11.25 4 1/2-13 0.75 1.875 4.38 1.591 3.28 0.5 1-1/2
284TSC and 286TSC 9 10.5 4.75 0.25 0.25 11.25 4 1/2-13 0.75 1.625 3 1.416 1.91 0.375 1-1/2
324TC and 326TC 11 12.5 5.25 0.25 0.25 14 4 5/8-11 0.94 2.125 5 1.845 3.91 0.5 2
324TSC and 326TSC 11 12.5 5.25 0.25 0.25 14 4 5/8-11 0.94 1.875 3.5 1.591 2.03 0.5 2
364TC and 365TC 11 12.5 5.88 0.25 0.25 14 8 5/8-11 0.94 2.375 5.62 2.021 4.28 0.625 3
364TSC and 365TSC 11 12.5 5.88 0.25 0.25 14 8 5/8-11 0.94 1.875 3.5 1.591 2.03 0.5 3
404TC and 405TC 11 12.5 6.62 0.25 0.25 15.5 8 5/8-11 0.94 2.875 7 2.45 5.65 0.75 3
404TSC and 405TSC 11 12.5 6.62 0.25 0.25 15.5 8 5/8-11 0.94 2.125 4 1.845 2.78 0.5 3
444TC and 445TC 14 16 7.5 0.25 0.25 18 8 5/8-11 0.94 3.375 8.25 2.88 6.91 0.875 3
444TSC and 445TSC 14 16 7.5 0.25 0.25 18 8 5/8-11 0.94 2.375 4.5 2.021 3.03 0.625 3
447TC and 449TC 14 16 7.5 0.25 0.25 18 8 5/8-11 0.94 3.375 8.25 2.88 6.91 0.875 3
447TSC and 449TSC 14 16 7.5 0.25 0.25 18 8 5/8-11 0.94 2.375 4.5 2.021 3.03 0.625 3
500 frame series 14.5 16.5 — 0.25 0.25 18 4 5/8-11 0.94 — — — — — —
Frame Designation* AJ** AK BA BB Min BC BD Max BF Hole Number BF Hole Tap Size BF Hole Bolt Penetration Allowance U AH Keyseat - R Keyseat - ES Min Keyseat - S AA Min†††
42C 3.75 3 2.062 0.16† -0.19 5.00†† 4 1/4-20 — 0.375 1.312 0.328 — Flat —
48C 3.75 3 2.5 0.16† -0.19 5.625 4 1/4-20 — 0.5 1.69 0.453 — flat —
56C 5.875 4.5 2.75 0.16† -0.19 6.50†† 4 3/8-16 — 0.625 2.06 0.517 1.41 0.188 —
143TC and 145TC 5.875 4.5 2.75 0.16† 0.12 6.50†† 4 3/8-16 0.56 0.875 2.12 0.771 1.41 0.188 3/4
182TC and 184TC 7.25 8.5 3.5 0.25 0.12 9 4 1/2-13 0.75 1.125 2.62 0.986 1.78 0.25 3/4
182TCH and 184TCH 5.875 4.5 3.5 0.16† 0.12 6.50†† 4 3/8-16 0.56 1.125 2.62 0.986 1.78 0.25 3/4
213TC and 215TC 7.25 8.5 4.25 0.25 0.25 9 4 1/2-13 0.75 1.375 3.12 1.201 2.41 0.312 1
254TC and 256TC 7.25 8.5 4.75 0.25 0.25 10 4 1/2-13 0.75 1.625 3.75 1.416 2.91 0.375 1-1/4
284TC and 286TC 9 10.5 4.75 0.25 0.25 11.25 4 1/2-13 0.75 1.875 4.38 1.591 3.28 0.5 1-1/2
284TSC and 286TSC 9 10.5 4.75 0.25 0.25 11.25 4 1/2-13 0.75 1.625 3 1.416 1.91 0.375 1-1/2
324TC and 326TC 11 12.5 5.25 0.25 0.25 14 4 5/8-11 0.94 2.125 5 1.845 3.91 0.5 2
324TSC and 326TSC 11 12.5 5.25 0.25 0.25 14 4 5/8-11 0.94 1.875 3.5 1.591 2.03 0.5 2
364TC and 365TC 11 12.5 5.88 0.25 0.25 14 8 5/8-11 0.94 2.375 5.62 2.021 4.28 0.625 3
364TSC and 365TSC 11 12.5 5.88 0.25 0.25 14 8 5/8-11 0.94 1.875 3.5 1.591 2.03 0.5 3
404TC and 405TC 11 12.5 6.62 0.25 0.25 15.5 8 5/8-11 0.94 2.875 7 2.45 5.65 0.75 3
404TSC and 405TSC 11 12.5 6.62 0.25 0.25 15.5 8 5/8-11 0.94 2.125 4 1.845 2.78 0.5 3
444TC and 445TC 14 16 7.5 0.25 0.25 18 8 5/8-11 0.94 3.375 8.25 2.88 6.91 0.875 3
444TSC and 445TSC 14 16 7.5 0.25 0.25 18 8 5/8-11 0.94 2.375 4.5 2.021 3.03 0.625 3
447TC and 449TC 14 16 7.5 0.25 0.25 18 8 5/8-11 0.94 3.375 8.25 2.88 6.91 0.875 3
447TSC and 449TSC 14 16 7.5 0.25 0.25 18 8 5/8-11 0.94 2.375 4.5 2.021 3.03 0.625 3
500 frame series 14.5 16.5 — 0.25 0.25 18 4 5/8-11 0.94 — — — — — —
Tbl. 5.I.2
All dimensions in inches.

*For frames 42C to 445TSC, see 4.4.1, for dimensions A, D, E, 2F, and H.

**For frames 182TC, 184TC, and 213TC through 500TC, the centerline of the bolt holes shall be within 0.025 inch of true location. True location is defined as angular and diametrical location with reference to the centerline of the AK dimension.

†The tolerance on this BB dimension shall be +0.00 inch, −0.06 inch.

††These BD dimensions are nominal dimensions.

†††For dimensions of clearance holes, see 4.8.

Notes:

  1. For the meaning of the letter dimensions, see 4.1 and Figure 4-3.
  2. For tolerances on shaft extension diameters and keyseats, see 4.9.
  3. For tolerances on AK dimensions, face runout, and permissible eccentricity of mounting rabbet, see 4.12.
  4. If the shaft extension length of the motor is not suitable for the application, it is recommended that deviations from this length be in 0.25 inch increments.

Frame Designations FAJ FAK FBB Min FBD Min FBF Hole Number FBF Hole Tap Size FBF Hole Bolt Penetration Allowance Hole for Accessory Leads†† DP Hole for Accessory Leads†† Diameter
143TFC and 145TFC 5.875 4.5 0.16* 6.50† 4 3/8-16 0.56 2.81 0.41
182TFC and 184TFC 5.875 4.5 0.16* 6.50† 4 3/8-16 0.56 2.81 0.41
213TFC and 215TFC 7.25 8.5 0.25 9 4 1/2-13 0.75 3.81 0.62
254TFC and 256TFC 7.25 8.5 0.25 10 4 1/2-13 0.75 3.81 0.62
284TFC and 286TFC 9 10.5 0.25 11.25 4 1/2-13 0.75 4.5 0.62
324TFC and 326TFC 11 12.5 0.25 14 4 5/8-11 0.94 5.25 0.62
Frame Designations FAJ FAK FBB Min FBD Min FBF Hole Number FBF Hole Tap Size FBF Hole Bolt Penetration Allowance Hole for Accessory Leads†† DP Hole for Accessory Leads†† Diameter
143TFC and 145TFC 5.875 4.5 0.16* 6.50† 4 3/8-16 0.56 2.81 0.41
182TFC and 184TFC 5.875 4.5 0.16* 6.50† 4 3/8-16 0.56 2.81 0.41
213TFC and 215TFC 7.25 8.5 0.25 9 4 1/2-13 0.75 3.81 0.62
254TFC and 256TFC 7.25 8.5 0.25 10 4 1/2-13 0.75 3.81 0.62
284TFC and 286TFC 9 10.5 0.25 11.25 4 1/2-13 0.75 4.5 0.62
324TFC and 326TFC 11 12.5 0.25 14 4 5/8-11 0.94 5.25 0.62
Tbl. 5.I.3
*The tolerance on this FBB dimension shall be +0.00, −0.06 inch.

†This BD dimension is a nominal dimension.

††When a hole is required in the Type C face for accessory leads, the hole shall be located relative to one of the FBF holes in accordance with the following figure and the table.

Frame Designations* AJ** AK BB Min BD Max BF clearance hole number BF Clearnace Hole Size U V Min AH† Keyseat - R Keyseat - ES (Min) Keyseat - S EU
143VP and 145VP 9.125 8.25 0.19 10 4 0.44 0.875 2.75 2.75 0.771-0.756 1.28 0.190-0.188 0.6875
182VP and 184VP 9.125 8.25 0.19 10 4 0.44 1.125 2.75 2.75 0.986-0.971 1.28 0.252-0.250 0.875
213VP and 215VP 9.125 8.25 0.19 10 4 0.44 1.125 2.75 2.75 0.986-0.971 1.28 0.252-0.250 0.875
254VP and 256VP 9.125 8.25 0.19 10 4 0.44 1.125 2.75 2.75 0.986-0.971 1.28 0.252-0.250 0.875
284VP and 286VP 9.125 8.25 0.19 10 4 0.44 1.125 2.75 2.75 0.986-0.971 1.28 0.252-0.250 0.875
324VP and 326VP 14.75 13.5 0.25 16.5 4 0.69 1.625 4.5 4.5 1.416-1.401 3.03 0.377-0.375 1.25
364VP and 365VP 14.75 13.5 0.25 16.5 4 0.69 1.625 4.5 4.5 1.416-1.401 3.03 0.377-0.375 1.25
404VP and 405VP 14.75 13.5 0.25 16.5 4 0.69 1.625 4.5 4.5 1.416-1.401 3.03 0.377-0.375 1.25
444VP and 445VP 14.75 13.5 0.25 16.5 4 0.69 2.125 4.5 4.5 1.845-1.830 3.03 0.502-0.500 1.75
447VP and 449VP 14.75 13.5 0.25 16.5 4 0.69 2.125 4.5 4.5 1.845-1.830 3.03 0.502-0.500 1.75
Frame Designations* AJ** AK BB Min BD Max BF clearance hole number BF Clearnace Hole Size U V Min AH† Keyseat - R Keyseat - ES (Min) Keyseat - S EU
143VP and 145VP 9.125 8.25 0.19 10 4 0.44 0.875 2.75 2.75 0.771-0.756 1.28 0.190-0.188 0.6875
182VP and 184VP 9.125 8.25 0.19 10 4 0.44 1.125 2.75 2.75 0.986-0.971 1.28 0.252-0.250 0.875
213VP and 215VP 9.125 8.25 0.19 10 4 0.44 1.125 2.75 2.75 0.986-0.971 1.28 0.252-0.250 0.875
254VP and 256VP 9.125 8.25 0.19 10 4 0.44 1.125 2.75 2.75 0.986-0.971 1.28 0.252-0.250 0.875
284VP and 286VP 9.125 8.25 0.19 10 4 0.44 1.125 2.75 2.75 0.986-0.971 1.28 0.252-0.250 0.875
324VP and 326VP 14.75 13.5 0.25 16.5 4 0.69 1.625 4.5 4.5 1.416-1.401 3.03 0.377-0.375 1.25
364VP and 365VP 14.75 13.5 0.25 16.5 4 0.69 1.625 4.5 4.5 1.416-1.401 3.03 0.377-0.375 1.25
404VP and 405VP 14.75 13.5 0.25 16.5 4 0.69 1.625 4.5 4.5 1.416-1.401 3.03 0.377-0.375 1.25
444VP and 445VP 14.75 13.5 0.25 16.5 4 0.69 2.125 4.5 4.5 1.845-1.830 3.03 0.502-0.500 1.75
447VP and 449VP 14.75 13.5 0.25 16.5 4 0.69 2.125 4.5 4.5 1.845-1.830 3.03 0.502-0.500 1.75
Tbl. 5.I.4
The tolerance for the permissible shaft runout shall be 0.002 inch indicator reading (see 4.11).

For the meaning of the letter dimensions, see 4.1 and Figure 18-22.

For tolerance on AK dimension, face runout, and permissible eccentricity of mounting rabbet, see 4.12.

For tolerance on shaft extension diameters and keyseats, see 4.9 and 4.10.

*The assignment of horsepower and speed ratings to these frames shall be in accordance with Part 13, except for the inclusion of the suffix letter VP in place of the suffix letters T and TS.

**AJ dimension—centerline of bolt holes shall be within 0.025 inch of true location. True location is defined as angular and diametrical location with reference to the centerline of the AK dimension.

†The tolerance on the AH dimension shall be ±0.06 inch. Dimension AH shall be measured with motor in vertical position, shaft down.

Item* Frame Designation AJ** AK BB Min BD Max Clearance BF Tap Size Number EO Min
1 182TP 9.125 8.25 0.19 10 0.44 — 4 2.5
2 184TP 9.125 8.25 0.19 10 0.44 — 4 2.5
3 213TP 9.125 8.25 0.19 10 0.44 — 4 2.5
4 215TP 9.125 8.25 0.19 10 0.44 — 4 2.5
5 254TP 9.125 8.25 0.19 10 0.44 — 4 2.75
6 256TP 9.125 8.25 0.19 10 0.44 — 4 2.75
7 284TP† 9.125 8.25 0.19 10 0.44 — 4 2.75
8 286TP† 9.125 8.25 0.19 10 0.44 — 4 2.75
9 324TP† 14.75 13.5 0.25 16.5 0.69 — 4 4
10 326TP† 14.75 13.5 0.25 16.5 0.69 — 4 4
11 364TP† 14.75 13.5 0.25 16.5 0.69 — 4 4
12 365TP 14.75 13.5 0.25 16.5 0.69 — 4 4
13 404TP 14.75 13.5 0.25 16.5 0.69 — 4 4.5
14 405TP 14.75 13.5 0.25 16.5 0.69 — 4 4.5
15 444TP 14.75 13.5 0.25 16.5 0.69 — 4 5
16 445TP 14.75 13.5 0.25 16.5 0.69 — 4 5
17 — 14.75 13.5 0.25 0.69 — 4 —
18 — 14.75 13.5 0.25 0.69†† 5/8-11 4 —
19 — 26 22 0.25 0.81†† 3/4-10 4 —
324TPH 9.125 8.25 0.19 12 0.44 — 4 4
326TPH 9.125 8.25 0.19 12 0.44 — 4 4
284TPH 14.75 13.5 0.25 16.5 0.69 — 4 2.75
286TPH 14.75 13.5 0.25 16.5 0.69 — 4 2.75
Item* Frame Designation AJ** AK BB Min BD Max Clearance BF Tap Size Number EO Min
1 182TP 9.125 8.25 0.19 10 0.44 — 4 2.5
2 184TP 9.125 8.25 0.19 10 0.44 — 4 2.5
3 213TP 9.125 8.25 0.19 10 0.44 — 4 2.5
4 215TP 9.125 8.25 0.19 10 0.44 — 4 2.5
5 254TP 9.125 8.25 0.19 10 0.44 — 4 2.75
6 256TP 9.125 8.25 0.19 10 0.44 — 4 2.75
7 284TP† 9.125 8.25 0.19 10 0.44 — 4 2.75
8 286TP† 9.125 8.25 0.19 10 0.44 — 4 2.75
9 324TP† 14.75 13.5 0.25 16.5 0.69 — 4 4
10 326TP† 14.75 13.5 0.25 16.5 0.69 — 4 4
11 364TP† 14.75 13.5 0.25 16.5 0.69 — 4 4
12 365TP 14.75 13.5 0.25 16.5 0.69 — 4 4
13 404TP 14.75 13.5 0.25 16.5 0.69 — 4 4.5
14 405TP 14.75 13.5 0.25 16.5 0.69 — 4 4.5
15 444TP 14.75 13.5 0.25 16.5 0.69 — 4 5
16 445TP 14.75 13.5 0.25 16.5 0.69 — 4 5
17 — 14.75 13.5 0.25 0.69 — 4 —
18 — 14.75 13.5 0.25 0.69†† 5/8-11 4 —
19 — 26 22 0.25 0.81†† 3/4-10 4 —
324TPH 9.125 8.25 0.19 12 0.44 — 4 4
326TPH 9.125 8.25 0.19 12 0.44 — 4 4
284TPH 14.75 13.5 0.25 16.5 0.69 — 4 2.75
286TPH 14.75 13.5 0.25 16.5 0.69 — 4 2.75
Tbl. 5.I.5
All dimensions in inches.

*See Table 18-31 for the coupling dimensions of the motors covered in items 1 through 16.

†These frames have the following alternative base dimensions, the coupling dimensions given in Table 18-31 remaining unchanged.

††Either clearance hole or up size shall be specified.

**AJ dimension—centerline of bolt holes shall be within 0.025 inch of true location. True location is defined as angular and diametrical location with reference to the centerline of the AK dimension.

Frame Designations U AH* AJ** AK BB BD Max BF Number BF Tap Size BF Bolt Penetration Allowance EL
143JM and 145JM 0.8745 - 0.8740 4.281 - 4.219 5.875 4.500 - 4.497 0.156 - 0.125 6.62 4 3/8-16 0.56 1.156 - 1.154
143JP and 145JP 0.8745 - 0.8740 7.343 - 7.281 5.875 4.500 - 4.497 0.156 - 0.125 6.62 4 3/8-16 0.56 1.156 - 1.154
182JM and 184JM 0.8745 - 0.8740 4.281 - 4.219 5.875 4.500 - 4.497 0.156 - 0.125 6.62 4 3/8-16 0.56 1.250 - 1.248
182JP and 184JP 0.8745 - 0.8740 7.343 - 7.281 5.875 4.500 - 4.497 0.156 - 0.125 6.62 4 3/8-16 0.56 1.250 - 1.248
213JM and 215JM 0.8745 - 0.8740 4.281 - 4.219 7.25 8.500 - 8.497 0.312 - 0.250 9 4 1/2-13 0.75 1.250 - 1.248
213JP and 215JP 1.2495 - 1.2490 8.156 - 8.094 7.25 8.500 - 8.497 0.312 - 0.250 9 4 1/2-13 0.75 1.750 - 1.748
254JM and 256JM 1.2495 - 1.2490 5.281 - 5.219 7.25 8.500 - 8.497 0.312 - 0.250 10 4 1/2-13 0.75 1.750 - 1.748
254JP and 256JP 1.2495 - 1.2490 8.156 - 8.094 7.25 8.500 - 8.497 0.312 - 0.250 10 4 1/2-13 0.75 1.750 - 1.748
284JM and 286JM 1.2495 - 1.2490 5.281 - 5.219 11 12.500 - 12.495 0.312 - 0.250 14 4 5/8-11 0.94 1.750 - 1.748
284JP and 286JP 1.2495 - 1.2490 8.156 - 8.094 11 12.500 - 12.495 0.312 - 0.250 14 4 5/8-11 0.94 1.750 - 1.748
324JM and 326JM 1.2495 - 1.2490 5.281 - 5.219 11 12.500 - 12.495 0.312 - 0.250 14 4 5/8-11 0.94 1.750 - 1.748
324JP and 326JP 1.2495 - 1.2490 8.156 - 8.094 11 12.500 - 12.495 0.312 - 0.250 14 4 5/8-11 0.94 1.750 - 1.748
364JP and 365JP 1.6245 - 1.6240 8.156 - 8.094 11 12.500 - 12.495 0.312 - 0.250 14 4 5/8-11 0.94 2.125 - 2.123
Frame Designations U AH* AJ** AK BB BD Max BF Number BF Tap Size BF Bolt Penetration Allowance EL
143JM and 145JM 0.8745 - 0.8740 4.281 - 4.219 5.875 4.500 - 4.497 0.156 - 0.125 6.62 4 3/8-16 0.56 1.156 - 1.154
143JP and 145JP 0.8745 - 0.8740 7.343 - 7.281 5.875 4.500 - 4.497 0.156 - 0.125 6.62 4 3/8-16 0.56 1.156 - 1.154
182JM and 184JM 0.8745 - 0.8740 4.281 - 4.219 5.875 4.500 - 4.497 0.156 - 0.125 6.62 4 3/8-16 0.56 1.250 - 1.248
182JP and 184JP 0.8745 - 0.8740 7.343 - 7.281 5.875 4.500 - 4.497 0.156 - 0.125 6.62 4 3/8-16 0.56 1.250 - 1.248
213JM and 215JM 0.8745 - 0.8740 4.281 - 4.219 7.25 8.500 - 8.497 0.312 - 0.250 9 4 1/2-13 0.75 1.250 - 1.248
213JP and 215JP 1.2495 - 1.2490 8.156 - 8.094 7.25 8.500 - 8.497 0.312 - 0.250 9 4 1/2-13 0.75 1.750 - 1.748
254JM and 256JM 1.2495 - 1.2490 5.281 - 5.219 7.25 8.500 - 8.497 0.312 - 0.250 10 4 1/2-13 0.75 1.750 - 1.748
254JP and 256JP 1.2495 - 1.2490 8.156 - 8.094 7.25 8.500 - 8.497 0.312 - 0.250 10 4 1/2-13 0.75 1.750 - 1.748
284JM and 286JM 1.2495 - 1.2490 5.281 - 5.219 11 12.500 - 12.495 0.312 - 0.250 14 4 5/8-11 0.94 1.750 - 1.748
284JP and 286JP 1.2495 - 1.2490 8.156 - 8.094 11 12.500 - 12.495 0.312 - 0.250 14 4 5/8-11 0.94 1.750 - 1.748
324JM and 326JM 1.2495 - 1.2490 5.281 - 5.219 11 12.500 - 12.495 0.312 - 0.250 14 4 5/8-11 0.94 1.750 - 1.748
324JP and 326JP 1.2495 - 1.2490 8.156 - 8.094 11 12.500 - 12.495 0.312 - 0.250 14 4 5/8-11 0.94 1.750 - 1.748
364JP and 365JP 1.6245 - 1.6240 8.156 - 8.094 11 12.500 - 12.495 0.312 - 0.250 14 4 5/8-11 0.94 2.125 - 2.123
Tbl. 5.I.6

Frame Designations EM EN Tap size EN Tap Drill Penetration Allowance EN - Bolt Penetration Allowance EP Min EQ* ER Min Keyseat - R Keyseat - ES (Min) Keyseat - S ET*
143JM and 145JM 1.0000 - 0.9995 3/8-16 1.12 0.75 1.156 0.640 - 0.610 4.25 0.771-0.756 1.65 0.190-0.188 2.890 - 2.860
143JP and 145JP 1.0000 - 0.9995 3/8-16 1.12 0.75 1.156 1.578 - 1.548 7.312 0.771-0.756 1.65 0.190-0.188 5.952 - 5.922
182JM and 184JM 1.0000 - 0.9995 3/8-16 1.12 0.75 1.25 0.640 - 0.610 4.25 0.771-0.756 1.65 0.190-0.188 2.890 - 2.860
182JP and 184JP 1.0000 - 0.9995 3/8-16 1.12 0.75 1.25 1.578 - 1.548 7.312 0.771-0.756 1.65 0.190-0.188 5.952 - 5.922
213JM and 215JM 1.0000 - 0.9995 3/8-16 1.12 0.75 1.75 0.640 - 0.610 4.25 0.771-0.756 1.65 0.190-0.188 2.890 - 2.860
213JP and 215JP 1.3750 -1.3745 1/2-13 1.12 0.75 1.75 2.390 - 2.360 8.125 1.112 - 1.097 2.53 0.252-0.250 5.890 - 5.860
254JM and 256JM 1.3750 - 1.3745 1/2-13 1.5 1 1.75 0.640 - 0.610 5.25 1.112 - 1.097 2.53 0.252-0.250 3.015 - 2.980
254JP and 256JP 1.3750 -1.3745 1/2-13 1.5 1 1.75 2.390 - 2.360 8.125 1.112 - 1.097 2.53 0.252-0.250 5.890 - 5.860
284JM and 286JM 1.3750 - 1.3745 1/2-13 1.5 1 2.125 0.645 - 0.605 5.25 1.112 - 1.097 2.53 0.252-0.250 3.015 - 2.980
284JP and 286JP 1.3750 -1.3745 1/2-13 1.5 1 2.125 2.390 - 2.360 8.125 1.112 - 1.097 2.53 0.252-0.250 5.895 - 5.855
324JM and 326JM 1.3750 - 1.3745 1/2-13 1.5 1 2.125 0.645 - 0.605 5.25 1.112 - 1.097 2.53 0.252-0.250 3.015 - 2.980
324JP and 326JP 1.3750 -1.3745 1/2-13 1.5 1 2.125 2.395 - 2.355 8.125 1.112 - 1.097 2.53 0.252-0.250 5.895 - 5.855
364JP and 365JP 1.7500 - 1.7495 1/2-13 1.5 1 2.5 2.395 - 2.355 8.125 1.416 - 1.401 2.53 0.377 - 0.375 5.895 - 5.855
Frame Designations EM EN Tap size EN Tap Drill Penetration Allowance EN - Bolt Penetration Allowance EP Min EQ* ER Min Keyseat - R Keyseat - ES (Min) Keyseat - S ET*
143JM and 145JM 1.0000 - 0.9995 3/8-16 1.12 0.75 1.156 0.640 - 0.610 4.25 0.771-0.756 1.65 0.190-0.188 2.890 - 2.860
143JP and 145JP 1.0000 - 0.9995 3/8-16 1.12 0.75 1.156 1.578 - 1.548 7.312 0.771-0.756 1.65 0.190-0.188 5.952 - 5.922
182JM and 184JM 1.0000 - 0.9995 3/8-16 1.12 0.75 1.25 0.640 - 0.610 4.25 0.771-0.756 1.65 0.190-0.188 2.890 - 2.860
182JP and 184JP 1.0000 - 0.9995 3/8-16 1.12 0.75 1.25 1.578 - 1.548 7.312 0.771-0.756 1.65 0.190-0.188 5.952 - 5.922
213JM and 215JM 1.0000 - 0.9995 3/8-16 1.12 0.75 1.75 0.640 - 0.610 4.25 0.771-0.756 1.65 0.190-0.188 2.890 - 2.860
213JP and 215JP 1.3750 -1.3745 1/2-13 1.12 0.75 1.75 2.390 - 2.360 8.125 1.112 - 1.097 2.53 0.252-0.250 5.890 - 5.860
254JM and 256JM 1.3750 - 1.3745 1/2-13 1.5 1 1.75 0.640 - 0.610 5.25 1.112 - 1.097 2.53 0.252-0.250 3.015 - 2.980
254JP and 256JP 1.3750 -1.3745 1/2-13 1.5 1 1.75 2.390 - 2.360 8.125 1.112 - 1.097 2.53 0.252-0.250 5.890 - 5.860
284JM and 286JM 1.3750 - 1.3745 1/2-13 1.5 1 2.125 0.645 - 0.605 5.25 1.112 - 1.097 2.53 0.252-0.250 3.015 - 2.980
284JP and 286JP 1.3750 -1.3745 1/2-13 1.5 1 2.125 2.390 - 2.360 8.125 1.112 - 1.097 2.53 0.252-0.250 5.895 - 5.855
324JM and 326JM 1.3750 - 1.3745 1/2-13 1.5 1 2.125 0.645 - 0.605 5.25 1.112 - 1.097 2.53 0.252-0.250 3.015 - 2.980
324JP and 326JP 1.3750 -1.3745 1/2-13 1.5 1 2.125 2.395 - 2.355 8.125 1.112 - 1.097 2.53 0.252-0.250 5.895 - 5.855
364JP and 365JP 1.7500 - 1.7495 1/2-13 1.5 1 2.5 2.395 - 2.355 8.125 1.416 - 1.401 2.53 0.377 - 0.375 5.895 - 5.855
Tbl. 5.I.7
All dimensions in inches.

For the meaning of the letter dimensions, see Figures

*AH, EQ, and ET dimensions measured with the shaft pulled by hand away from the motor to the limit of endplay.

**AJ dimension—centerline of bolt holes is within 0.015 inch of true location for frames 154 to 256 JM and JP, inclusive, and within 0.025 inch of true location for frames 284 to 365 JM and JP, inclusive. True location is determined as angular and diametrical location with reference to the centerline of the AK dimension.

Face runout—
143JM/JP to 256JM/JP frames, inclusive, 0.004 inch indicator reading
284JM/JP to 326JM/JP frames, inclusive, 0.006 inch indicator reading

Permissible eccentricity of mounting rabbet—
143JM/JP to 256JM/JP frames, inclusive, 0.004 inch indicator reading
284JM/JP to 326JM/JP frames, inclusive, 0.006 inch indicator reading

Permissible shaft runout—
143JM/JP to 256JM/JP frames, inclusive, 0.002 inch indicator reading
284JM/JP to 326JM/JP frames, inclusive, 0.003 inch indicator reading

Put Content here

Put Content Here

Put Content Here

Put Content Here

Put Content Here

Last updated on July 19th, 2024


Related topics

A) Steel Pipe
B) Stainless Steel Pipe
C) Ductile Iron Pipe
D) Non-Ferrous Pipe and Tube
E) Plastic PVC Pipe
F) Flange Dimensions